好友列表
好友的新聞台Blog
站內搜尋
標題
內容
標籤
最新文章
文章分類
最新回應
何謂絕對壓力? 何謂計示壓力?, (縮陰)
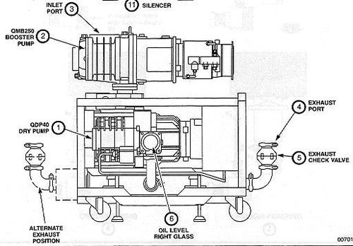
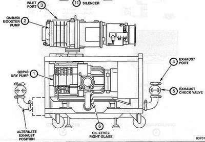
在初抽(roughing)系統中,常以roots pump串接另一 rotary pump的設計目的, (jack screw flange)
AMAT HP Robot Service List, (Service)
AMAT HP Robot Service List, (zhongyun)
在初抽(roughing)系統中,常以roots pump串接另一 rotary pump的設計目的, (jack screw flange)
AMAT HP Robot Service List, (Service)
AMAT HP Robot Service List, (zhongyun)

